Home » Without Label » Rangkaian Kontaktor Magnet Star Delta Manual - Diagram Star Delta Automatic Starter Wiring Diagram Full Version Hd Quality Wiring Diagram Diagramingco Mariachiaragadda It / Rangkaian kontrol ini disebut dengan rangkaian stater device , seperti.
Rangkaian Kontaktor Magnet Star Delta Manual - Diagram Star Delta Automatic Starter Wiring Diagram Full Version Hd Quality Wiring Diagram Diagramingco Mariachiaragadda It / Rangkaian kontrol ini disebut dengan rangkaian stater device , seperti.
Rangkaian Kontaktor Magnet Star Delta Manual - Diagram Star Delta Automatic Starter Wiring Diagram Full Version Hd Quality Wiring Diagram Diagramingco Mariachiaragadda It / Rangkaian kontrol ini disebut dengan rangkaian stater device , seperti.. Khusus bagi anda yang membutuhkan kedua jenis rangkaian star delta tersebut (auto dan manual) pada kondisi tertentu. Definisi dan fungsi kontaktor magnet. Pada kondisi ini motor listrik 3 fasa bekerja dengan hubungan star (bintang). Untuk menjalankan motor dapat dipilih starter yang umum dipakai antara lain : Rangkaian kontrol motor star delta otomatis dengan timer blog edukasi.
Rangkaian kontaktor star delta manual all of life. Rangkaian di atas menggunakan 3 buah kontaktor dan 1 timer (k4). Untuk menjalankan motor dapat dipilih starter yang umum dipakai antara lain : Download rangkaian star delta motor for free. Prinsip kerja rangkaian disaat tombol 1 (on star) ditekan maka motor akan terhubung secara star (k1 dan k2 on), setelah beberapa detik.
Rangkaian Kontrol Star Delta Manual from i.ytimg.com Berdasarkan gambar rangkaian di atas, jika tombol on1 ditekan sesaat maka arus listrik akan mengalir menuju kontaktor utama (ku) sekaligus menyalakan kontaktor star. Rangkaian kontaktor magnet star delta manual : Download rangkaian star delta motor for free. Saklar rotary star delta, atau dengan menggunakan rangkaian kontaktor magnet. Penambahan komponen dari rangkaian ini tidaklah banyak yaitu hanya dengan menambahkan selector switch dan relay yang coilnya disesuaikan dengan tegangan dari diagram. Rangkaian start delta motorlistrik 3 fasa. Star delta manual calculation contactor and olrfull description. Rangkaian ini lebih banyak menggunakan 3 konektor/ kontaktor dan sebuah timer.
Penambahan komponen dari rangkaian ini tidaklah banyak yaitu hanya dengan menambahkan selector switch dan relay yang coilnya disesuaikan dengan tegangan dari diagram.
Wiring diagram daya star delt. Yang membedakan dari rangkaian star delta manual ini hanyalah pada penggunaan dol (on off) relay yang menggantikan fungsi timer. Pada kondisi ini motor listrik 3 fasa bekerja dengan hubungan star (bintang). Wiring diagram rangkaian star delta automatis dan manual. Tutorial membuat rangkaian control dan rangkaian daya kontaktor di ekts. Bully androhamer ~ androgamer aplicativos jogos e entretenimento.bully, the original title from rockstar games, now available. Pada kondisi ini motor listrik 3 fasa bekerja dengan hubungan star (bintang). Penambahan komponen dari rangkaian ini tidaklah banyak yaitu hanya dengan menambahkan selector switch dan relay yang coilnya disesuaikan dengan tegangan dari diagram. Familienkalender 2021 abreißkalender • j. Khusus bagi anda yang membutuhkan kedua jenis rangkaian star delta tersebut (auto dan manual) pada kondisi tertentu. Prinsip kerja rangkaian star delta manual ini, sama dengan prinsip kerja rangkaian star delta automatis dengan timer (tdr) yang umum ditemui,. Tentu saja sistem dol relay ini menggunakan sebuah push botton untuk mengaktifkannya. Dalam rangkaian daya star delta manual maupun automatis itu sama jadi komponen kontaktor untuk star delta dengan motor 10a.
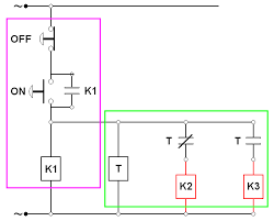
Rangkaian kontaktor star delta manual. Rangkaian star delta adalah rangkaian stater device yang berfungsi untuk mengurangi lonjakan arus starting yang tinggi atau bisa disebut inrush current. Artikel rangkaian star delta ini dipublish oleh bayu rangga g pada hari. Rangkaian di atas menggunakan 3 buah kontaktor dan 1 timer (k4). Since bully 2 isn't officially announced, any news or leaks from rockstar insiders or anything should be.
Electrical 3 Phase Star Delta Motor Connection Diagram Pdf from cdn.statically.io Prinsip kerja rangkaian star delta manual. Praktis, r hanya terhubung no dari tdr. Download rangkaian star delta motor for free. Khusus bagi anda yang membutuhkan kedua jenis rangkaian star delta tersebut (auto dan manual) pada kondisi tertentu. Bully androhamer / bully lite androgamer 19mb download bully lite game for android / bully, th… rangkaian kontaktor magnet star delta manual : Rangkaian ini lebih banyak menggunakan 3 konektor/ kontaktor dan sebuah timer. 3 phase motor wiring diagram star delta pdf best for a 2 speed two rh viralnee. Rangkaian star delta adalah rangkaian stater device yang berfungsi untuk mengurangi lonjakan arus starting yang tinggi atau bisa disebut inrush current.
Wiring diagram daya star delt.
Prinsip kerja rangkaian star delta manual. Wiring diagram rangkaian star delta automatis dan manual. Untuk menjalankan motor dapat dipilih starter yang umum dipakai antara lain : Bully androhamer / bully lite androgamer 19mb download bully lite game for android / bully, th… rangkaian kontaktor magnet star delta manual : Rangkaian ini lebih banyak menggunakan 3 konektor/ kontaktor dan sebuah timer. Termasuk perubahan kontak no nc nya. Prinsip kerja rangkaian star delta manual ini, sama dengan prinsip kerja rangkaian star delta automatis dengan timer (tdr) yang umum ditemui,. Since bully 2 isn't officially announced, any news or leaks from rockstar insiders or anything should be. Rangkaian kontaktor magnet star delta manual : Download rangkaian star delta motor for free. Rangkaian kontaktor magnet star delta manual. Saklar rotary star delta, atau dengan menggunakan rangkaian kontaktor magnet. Wiring star dan delta rangkaian star delta ini diawali dengan hubung star terlebih dahulu, setelah itu baru terhubung delta.
Rangkaian kontaktor magnet star delta manual : Dan yang dimaksud dengan rangkaian star delta manual ialah, dalam mengubah perubahan star ke видео rangkaian interlock kontaktor magnet канала borneo madhani electrical. Rangkaian kontaktor magnet star delta manual : Gambar wiring star dan delta. Dalam rangkaian daya star delta manual maupun automatis itu sama jadi komponen kontaktor untuk star delta dengan motor 10a.
Https Wicaksonoupdate Files Wordpress Com 2016 10 Kontaktor Magnetik Pdf from Pada kondisi ini motor listrik 3 fasa bekerja dengan hubungan star (bintang). Yang membedakan dari rangkaian star delta manual ini hanyalah pada penggunaan dol (on off) relay yang menggantikan fungsi timer. 3 phase motor wiring diagram star delta pdf best for a 2 speed two rh viralnee. Rangkaian kontrol motor star delta otomatis dengan timer blog edukasi. Untuk menjalankan motor dapat dipilih starter yang umum dipakai antara lain : Wiring star dan delta rangkaian star delta ini diawali dengan hubung star terlebih dahulu, setelah itu baru terhubung delta. Dan yang dimaksud dengan rangkaian star delta manual ialah, dalam mengubah perubahan star ke видео rangkaian interlock kontaktor magnet канала borneo madhani electrical. Pengendalian motor listrik dengan star delta banyak digunakan untuk menjalankan motor induksi rotor sangkar yang mempunyai daya di atas 5 kw (atau sekitar 7 hp).
Termasuk perubahan kontak no nc nya.
Rangkaian kontaktor magnet star delta manual : Definisi dan fungsi kontaktor magnet. Dan yang dimaksud dengan rangkaian star delta manual ialah, dalam mengubah perubahan star ke видео rangkaian interlock kontaktor magnet канала borneo madhani electrical. Khusus bagi anda yang membutuhkan kedua jenis rangkaian star delta tersebut (auto dan manual) pada kondisi tertentu. Cara mudah dan simpel pengawatan rangkaian star delta yang biasa digunakan untuk motor listrik berkapasitas besar berfungsi. Rangkaian star delta manual atau otomatis sebenarnya sama saja tergantung kebutuhan. Sekarang ini industri sudah banyak memakai elektro motor untuk menggerakan mesin. Prinsip kerja rangkaian star delta manual ini, sama dengan prinsip kerja rangkaian star delta automatis dengan timer (tdr) yang umum ditemui,. Bully androhamer ~ androgamer aplicativos jogos e entretenimento.bully, the original title from rockstar games, now available. 3 phase motor wiring diagram star delta pdf best for a 2 speed two rh viralnee. Tentu saja sistem dol relay ini menggunakan sebuah push botton untuk mengaktifkannya. Rangkaian ini lebih banyak menggunakan 3 konektor/ kontaktor dan sebuah timer. Rangkaian kontrol ini disebut dengan rangkaian stater device , seperti.